Raspberry Pi CM4 multi-constellation GPS / GNSS module (mini V1 and CM4 info)

From the Timebeat team comes the best timing and positioning module for the Raspberry PI CM4!

It's made by the same team who contributed the IEEE1588 capability for the BCM54210PE Ethernet controller in the CM4 to the Linux kernel in collaboration with Raspberry Pi and Broadcom.

This module "sandwiches" in between the IO board and CM4 and has expansion slots to extend functionality and performance at a fraction of the cost of a dedicated timing appliance. 

This guide details the functionality of the TImeCard mini in detail.

For details on installing the TimeCard mini into the CM4 IO unit, read this guide

 

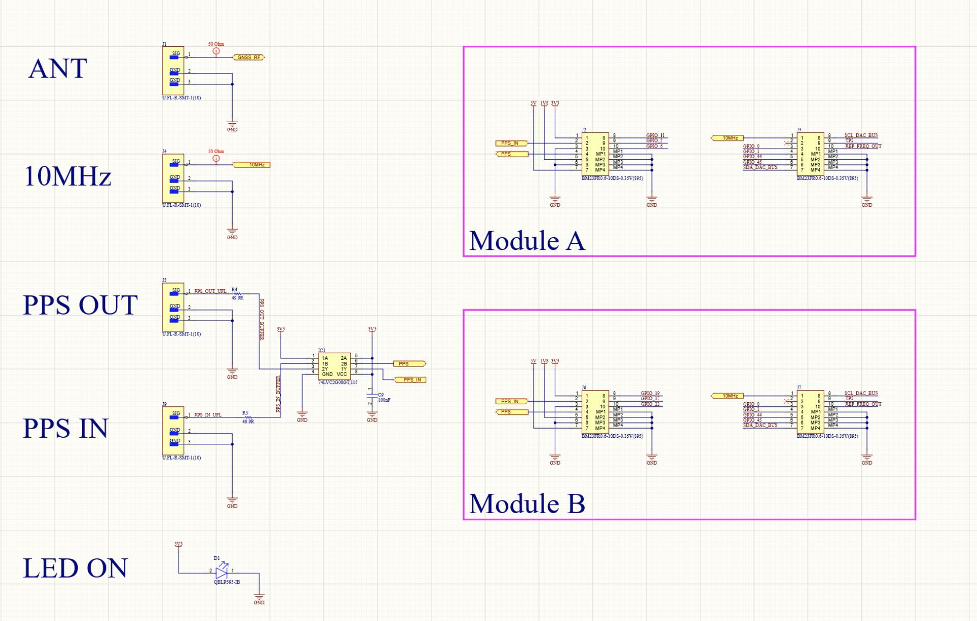
  1. ANT: fl IPEX-1 connector for connecting GNSS antenna input.

  2. 10 Mhz: fl IPEX-1 connector for connecting stable frequency input to GNSS module

  3. PPS OUT: fl IPEX-1 connector for connecting 1PPS output from GNSS module

  4. PPS IN : fl IPEX-1 connector for connecting 1PPS input to GNSS module

  5. 100 Pin top: Direct connection for the CM4 unit or riser board

  6. 100 pin bottom: Direct connection to click straight onto a CM4 IO board or power board

  7. Module A & B Hirose connectors: used to connect to Timebeat expansion modules

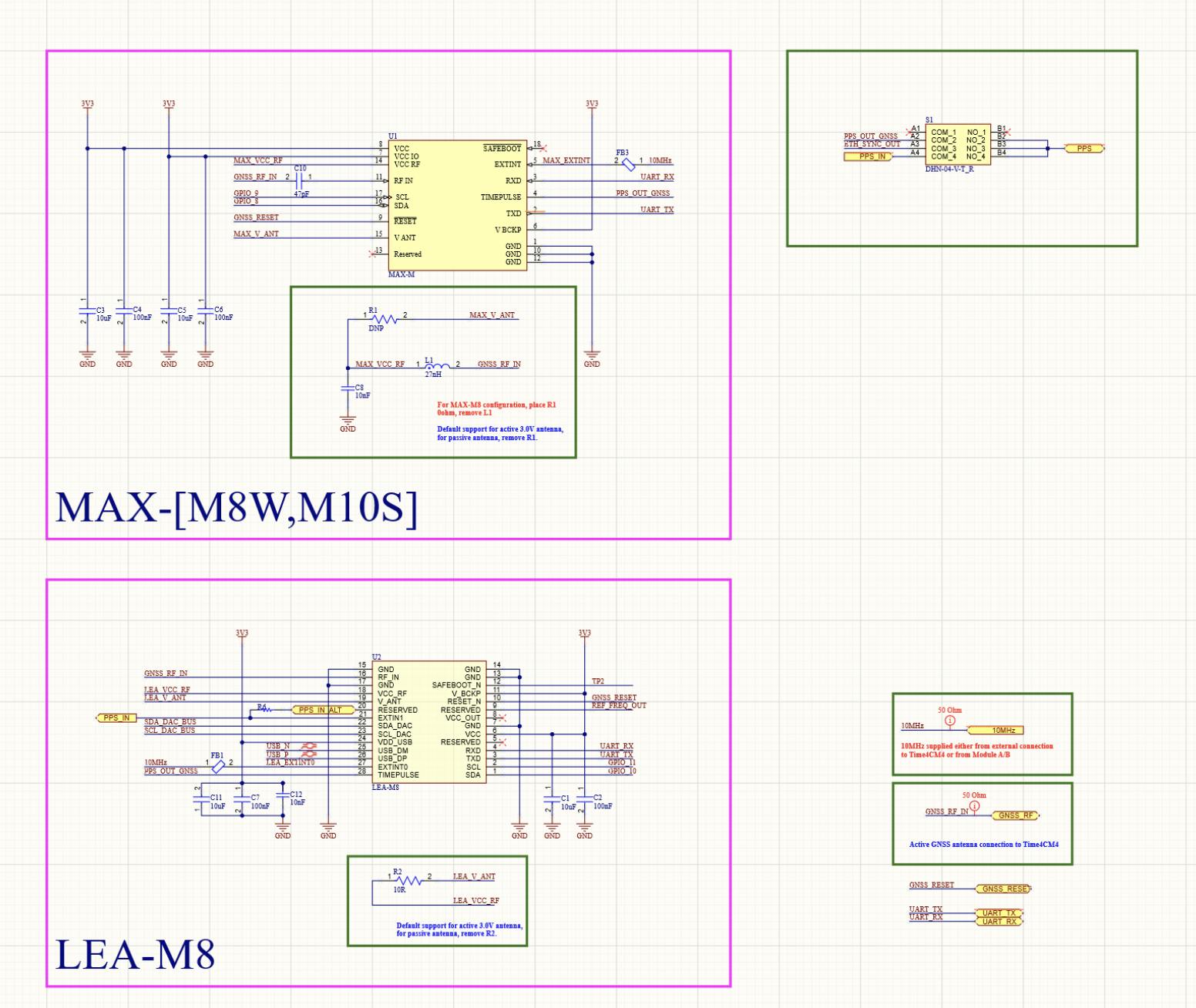
  8. Dip Switch: used to manage the input/output configuration of the PPS Net.

To get the features to work when combined with a CM4, you must update the /boot/cmdline.txt files and /boot/config.txt files with the following info.

 

Add the below to the bottom of the /boot/config.txt file

enable_uart=1
arm_freq_min=1500
force_turbo=1

Change the /boot/cmdline.txt file with the following:

console=tty1

(remove serial0 and replace with tty1)

 

We also recommend that you set a CPU governor for best performance:

echo 'userspace' >> /sys/devices/system/cpu/cpu0/cpufreq/scaling_governor

If possible, check with these commands that the CPU doesn’t change frequency too wildly, that it's not throttled and that the temperature remains reasonable:

watch -n 1 vcgencmd measure_clock arm
watch -n 1 vcgencmd get_throttled
watch -n 1 vcgencmd measure_temp

This module is created with a central net called the PPS Net.

The PPS Net is the baseline for configuring the module concerning the various input and output options.

To explain this in more detail, the LEA and MAX Ublox chip mappings are shown below:

 

The Timepulse pin (Pin 4 on the MAX and Pin 28 on the LEA) can send 1PPS to ETH_SYNC on the CM4 unit provided that the GNSS IN and ETH OUT positions on the dip switch are set to on.

The Dip switch is located just above the OCP-TAP logo on the right side of the board (connector listed number 8).

 

The TimeCard mini has a default behaviour of providing a 1PPS to the PPS OUT u.fl connector (connector labelled 3)

 

When the Dip Switch setting for GNSS In is turned off, and PPS_IN is switched on, the PPS Net will provide input from the PPS In connector (connector labelled 4) and not from the Ublox unit.

 

The PPS In connector (labelled 4), regardless of whether it is switched on or off with the Dip Switch, still receives the input signal from the EXTINT pins on the Ublox Unit (Pin 5 on the MAX and Pin 27 on the LEA).

 

By providing the 1PPS to the EXTINT pin, you can use the Ublox module's EXTINT functionality to provide external stability of the measure phase. This also means you can concurrently utilise the PPS IN and PPS OUT functionality.

 

LEA and MAX modules connect to serial0 UART interfaces in the CM4.

In addition, the I2C interfaces are routed to the relevant GPIO pins. 

The above image details the connections for Module A and B. As the LEA modules allow for a second EXTINT pin, we have connected the 10Mhz network of expansion modules A and B to the LEA Ublox unit. This allows for the addition of external oscillators.

 

The external oscillators provide a very stable PPS. 

The expansion boards currently support the SiT5711 and SiT5721 & SiT5811. These industry-leading oscillators can provide up to 5ppb stability & 1ppb. (Currently, only the LEA option module supports external oscillators.)

These expansion units provide some of the industry's leading performance per space ratios available. 

The LEA-M8F comes with a riser board that adds 2.5mm to allow for clearance. Depending on the case, you must ensure the height clearance is available when combined with fans or heatsinks. In our experience, you can use one of these items at a time (heatsink or fan). The baseboard looks like the one below and comes free with every UBLOX LEA-M8F module.

Other things to note: